Аудио-википедия

База знаний по hi-fi и high-end технике и комплектующим, отзывы и впечатления

Инструменты пользователя

Инструменты сайта


Боковая панель

4amps:6pit:drossel

Электронный дроссель

https://sites.google.com/site/moiusiliteli/%D0%B0%D0%B2%D1%82%D0%BE%D1%80%D1%81%D0%BA%D0%B8%D0%B5-%D0%BF%D1%80%D0%BE%D0%B5%D0%BA%D1%82%D1%8B/lektor-%D0%BC%D0%B8%D1%85%D0%B0%D0%B8%D0%BB/nekosernyj-elektronnyj-drossel

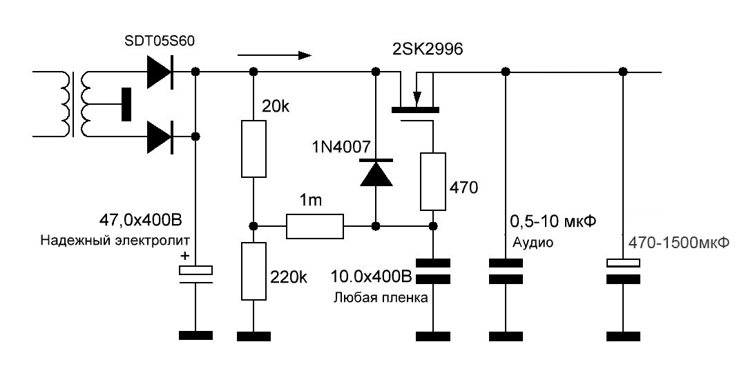
dros0.jpg 1733197175_.jpg.947762a1f750ed8550869f9cddbb4084.jpg CREATOR: gd-jpeg v1.0 (using IJG JPEG v62), default quality Электронный дроссель или он же умножитель емкости совместно с диодами шоттки в выпрямителе, технически переносят кенотроны в область эстетики и истории. Это мое мнение. Такой блок питания ничем не уступает кенотронному, а по внутреннему сопротивлению превосходит. Имеем ту же детальность, «аналоговость», изящество, но к этому прибавляется более высокая динамика.

На схеме нарисован выпрямитель, который позволит заменить кенотроны на диоды без замены трансформатора. Падение напряжения на ЭД приблизительно такое же как на кенотроне. Очень удобно для пробы. Мы же никому на слово не верим и все проверяем! Вынимаем кенотрон, подключаем БП на диодах и слушаем. Если это не наш звук, ставим кенотрон на место. Если нравится, нам предстоит малоинвазивная переделка корпуса. Отверстие от панельки кенотрона можно накрыть радиатором для транзистора ЭД.

Если будет использоваться мостовой выпрямитель напряжение на вторичке трансформатора должно быть равным анодному напряжению.

Конденсатор «Аудио» влияет на звук так же как межкаскадный. Поэтому ставим, что не жалко.

Транзистор можно заменить на более распространенный IRF740 или IRF840 в зависимости от анодного напряжения.

dros.jpg

Только авторизованные участники могут оставлять комментарии.
4amps/6pit/drossel.txt · Последнее изменение: 2022/01/10 13:51 (внешнее изменение)