Аудио-википедия

База знаний по hi-fi и high-end технике и комплектующим, отзывы и впечатления

Инструменты пользователя

Инструменты сайта


Боковая панель

7comp:4trans:diff-trans

Дифференциальный выходной трансформатор в двухтактных ламповых УМЗЧ

Сергей Комаров, UA3ALW Журнал «Радио» № 4 за 2006 г.
http://www.radiostation.ru/home/usilitel-diff.html
http://www.radiostation.ru/home/usilitel-diff1.html

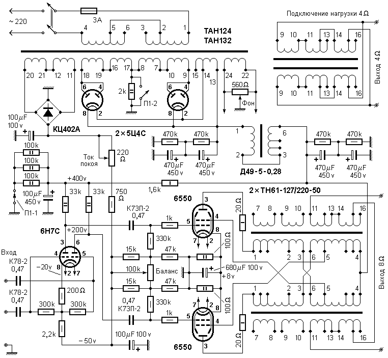
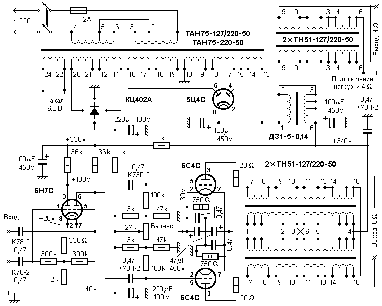
Дифференциальный выходной трансформатор и его расчетные параметры Сами по себе трансформаторы ТАН и ТН используемые в качестве выходных в двухтактных усилителях, хоть и позволяют насладиться ламповым звучанием и сильно облегчают изготовление любительских домашних усилителей, однако, они не могут обеспечить высокое качество воспроизведения звука. Все-таки, это силовые трансформаторы и при их конструировании не учитывались специфические «звуковые» характеристики. Приведенное в статье схемное решение позволяет получить высококачественное звучание на добрых старых зеленых трансформаторах.

Имея два любых, одинаковых ТН-а или ТАН-а можно их включить по приведенным схемам и получить высококачественный, идеально симметричный, выходной трансформатор для двухтактного лампового усилителя, который, к тому же, будет работать на частотах от 20 герц, отдавая в нагрузку весьма значительную мощность.

Параметры дифференциального трансформатора на базе ТН-ов будут следующими: Максимальная амплитуда напряжения на всей первичной обмотке (между анодами ламп) на частоте 50 Гц - 718 Вольт, а на частоте 20 Гц - 287 Вольт. Ультралинейный отвод для экранной сетки - 43% от числа витков половины первичной обмотки, что идеально для ламп 6L6, 5881, 6П3С, 6П3С-Е, KT-66, КТ77, KT88, 6550.




Отзывы

https://www.hi-fi.ru/audioportal/topic/106-vyhodnoy-na-tore-u-kogo-est-opyt/page/47/

Выходная дифф-пара - это стандартный РР-трансформатор, разделенный на два трансформатора с уменьшенным секционированием каждого.
Каждое из плеч двухтакта в равной мере представлены на обоих трансформаторах (сердечниках), по половине.
Вторичка на каждом сердечнике своя, они включаются параллельно у обоих сердечников.
Вот и все отличия, никакой принципиальной разницы между РР-трансформаторами и «диффами» нет.

Преимущества выходных трансформаторов-торов в дифференциальном включении:

- их значительно проще изготавливать и контролировать,

- можно более качественно изолировать обмотки,

- сложно испортить при намотке,

- параметры их более повторяемы,

- хорошо подбираются в пары, с точностью до 0.01..0.02 Ом,

- симметрия по ёмкостям немного лучше,

- легче управлять паразитными емкостями, так как сами трансформаторы проще.

Рассеяние у диффов больше, поскольку оно обратно пропорционально квадрату числа слоёв (обмоток) и почти не зависит от числа витков.

Выходные трансформаторы в дифференциальном включении

Выходная дифф-пара - это стандартный РР-трансформатор, разделенный на два трансформатора с уменьшенным секционированием каждого.

Каждое из плеч двухтакта в равной мере представлены на обоих трансформаторах (сердечниках), по половине.

Вторичка на каждом сердечнике своя, они включаются параллельно у обоих сердечников.

Вот и все отличия, никакой принципиальной разницы между РР-трансформаторами и «диффами» нет.

Преимущества выходных трансформаторов-торов в дифференциальном включении:

- их значительно проще изготавливать и контролировать,

- они симметричны, особенно торы,

- на большое Raa мотать проще,

- правильные УЛ-трансы сделать проще,

- можно более качественно изолировать обмотки,

- сложно испортить при намотке,

- параметры их более повторяемы,

- хорошо подбираются в пары, с точностью до 0.01..0.02 Ом,

- меньше паразитные емкости, ими легче управлять,

- симметрия по ёмкостям лучше,

- иногда в имеющиеся колпаки входит только пара диффов, не цельный транс,

- несмотря на некоторое усложнение конструктива усилителя, «суммарная стоимость владения» у диффов меньше, так как они много проще (при ремонте/пересылке и тп).

Рассеяние у диффов больше, поскольку оно обратно пропорционально квадрату числа слоёв (обмоток) и почти не зависит от числа витков.

Настоятельно советуем ознакомиться со статьями Сергея Комарова о дифф-включении трансформаторов:

http://www.radiostation.ru/home/usilitel.html? ,

http://www.radiostation.ru/home/usilitel-diff.html ,

http://www.radiostation.ru/home/usilitel-diff1.html .

Цитата:

«У такого включения трансформаторов, помимо идеальной симметрии, есть еще весьма существенное положительное качество. Половины анодных обмоток, на которых присутствует максимальное переменное напряжение звуковой частоты, разнесены на разные катушки и на разные сердечники. А посему межобмоточная емкость, ограничивающая сверху диапазон рабочих частот, сведена к минимуму.»

Немаловажное достоинство «дифф-подхода»

Для некоторых усилителей/режимов не всегда удается сразу спроектировать-изготовить правильный выходной (классический) трансформатор.

А вот в дифф-исполнении это получается, хотя бы в качестве временной меры.

Коммутация дифф-трансов

Если:

1, 2 – первичка,

3, 4 – вторичка,

5, 6 – первичка,

то

1+1 - Ua, ср. точка,

2+6, 6+2 - первички,

3+4, 4+3 - вторички,

5 и 5 - аноды,

3 и 4 - Rн.

Необходим «технологический» зазор.

И железа чуть побольше.
Карта


Только авторизованные участники могут оставлять комментарии.
7comp/4trans/diff-trans.txt · Последнее изменение: 2020/10/08 08:57 (внешнее изменение)