Аудио-википедия

База знаний по hi-fi и high-end технике и комплектующим, отзывы и впечатления

Инструменты пользователя

Инструменты сайта


Боковая панель

4amps:6pit:2setka

Питание второй сетки

https://sites.google.com/site/moiusiliteli/%D0%B0%D0%B2%D1%82%D0%BE%D1%80%D1%81%D0%BA%D0%B8%D0%B5-%D0%BF%D1%80%D0%BE%D0%B5%D0%BA%D1%82%D1%8B/lektor-%D0%BC%D0%B8%D1%85%D0%B0%D0%B8%D0%BB/%D1%81%D1%82%D0%B0%D0%B1%D0%B8%D0%BB%D0%B8%D0%B7%D0%B0%D1%82%D0%BE%D1%80-%D0%B4%D0%BB%D1%8F-%D0%B2%D1%82%D0%BE%D1%80%D1%8B%D1%85-%D1%81%D0%B5%D1%82%D0%BE%D0%BA

Стабилизатор для вторых сеток
Очень долго ленился сделать такую платку, но когда сделал то оценил. В большинстве случаев стабилизация напряжения второй сетки благотворно сказывается на звуке. Возможность регулировать это напряжение позволяет легко поиграть режимами.
Транзисторный стабилизатор практически не окрашивает звук. Чего не скажешь о газоразрядных.

Опорный стабилитрон (150В) можно поставить на большее напряжение или набрать из нескольких штук. Верхний резистор подбирается по рабочему току стабилитрона.

2grid.jpg


https://sites.google.com/site/severnyjpriboj/Home/httpsitesgooglecomsitesevernyjpribojzimafotosessii/usiliteli/oppv-s-otvazkoj-nagruzki-ot-seti-220v
2grid2.jpg

ИзЮмительное решение от Александра Sheva

воспользуюсь его добротой и сохраню для потомков…

красота неописуемая :)))

Из пьесы «Дядя Ваня» (1897) Антона Павловича Чехова (1860—1904). Соня, утешая усталого, измученного жизнью дядю Ваню, говорит (действ. 4): «Мы отдохнем! Мы услышим ангелов, мы увидим все небо в алмазах, мы увидим, как все зло земное, все наши страдания потонут вмилосердии, которое наполнит собою весь мир, и наша жизнь станет тихою, нежною, сладкою, как сказка».

от автора несколько строк…

Рекомендую всем пентодолюбам Звучание усилителя с таким стабом – «Небо в Алмазах»

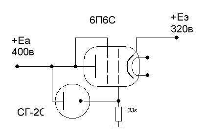
Краткое описание работы- фигура с трех пальцев.

Экранное ниже анодного на «номинал» газового стаба, «Неправильное» включение стаба обусловлено его принципом работы в данной схеме. Регулирующая лампа, изменяя свое сопротивление, обеспечивает постоянный потенциал на катоде при значительных изменениях потребляемого тока.

Никаких дополнительных конденсаторов ставить не надо. Газовый стаб можно заменить полупроводниковым. Но хорошо натренированные уши услышат его каменную суть. Мало того – слышно и сам окрас звучания лампы.

Например, 6П6С с ее характерным плюшем или бархатом. Поэтому, вместо шестерки я применяю ее аналог - более нейтральную лампу 15-15. В зависимости от потребляемого тока, можно применить триоды или пентоды в более широком ассортименте.

Рисовал и отслушивал сам, но на изобретение не претендую, схема лежала под ногами и на поверхности. Нужно было только нагнуться и поднять. Кому интересно – можете патентовать, мне не жалко. Благодарность Линукс Маньяку за презентованные для проекта ОА3/СГ-2С« Не устоял я от соблазна, несколько ударов паяльником ииии…. Всем рекомендую для повторения, звучит шикарно.

Только авторизованные участники могут оставлять комментарии.
4amps/6pit/2setka.txt · Последнее изменение: 2021/05/13 16:36 — staudio