Аудио-википедияБаза знаний по hi-fi и high-end технике и комплектующим, отзывы и впечатления
Накал:
| 520B-V2 | 520B-V3 | 520B-V4 | |
|---|---|---|---|
| Filament Voltage (AC or DC) | = 6.5 Volt | = 5.0 Volt | = 5.0V with Balanced Heater ( 2x 2.5V ) |
| Tolerance on filament voltage | 5% | 5% | 5% |
| Filament Current | ~ 1.5 Amp. | ~ 2.0 Amp | ~2.0 Amp |
Рекомендованная рабочая точка:
| Anode Voltage | 458V |
|---|---|
| Anode Dissipation | 55Watt |
| Anode Current | 120mA |
| Grid DC Voltage | -91Volt |
| Anode Impedance (Rp) | 520Ohms |
| Unloaded Gain (mu) | 6.7 |
| Effective Gain | 5.6 |
| Tube Power Output in Class A | 21.6Watt |
| Load Impedance (Ra) | 2600 Ohm |
| Lundahl Transformer LL1679-120mA | Alt C, D or E for 4, 8 or 16 Ohms |
| Grid resistor to ground | Max. 100kOhm |
Предельные характеристики:
| Anode Voltage | 550 Volt |
|---|---|
| Anode Current | 200mA |
| Tube Output Power | 24 Watt |
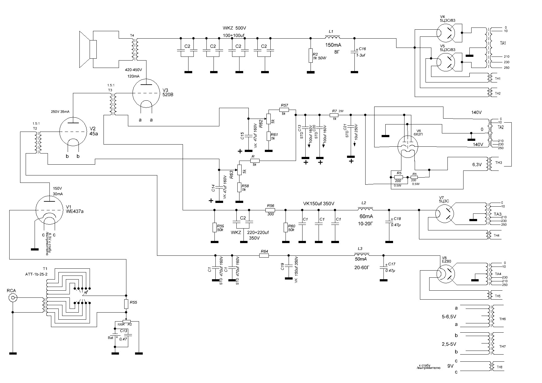
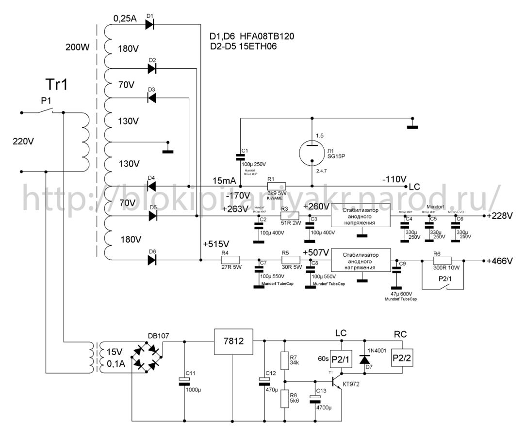
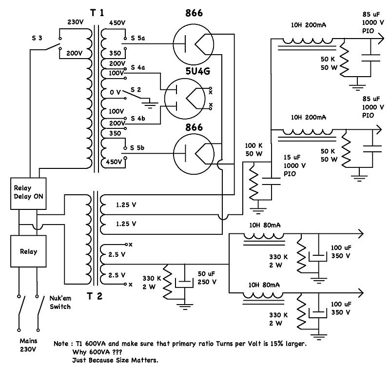
Проект усилителя SE на лампах EML 520B-V4
https://blokipitaniyakr.ru/old/V4/Chast_1/V4_1.html
https://blokipitaniyakr.ru/old/V4/Chast_2/V4_2.html
https://blokipitaniyakr.ru/old/V4/Chast_3/V4_3.html
https://blokipitaniyakr.ru/eml520bv4p4.html
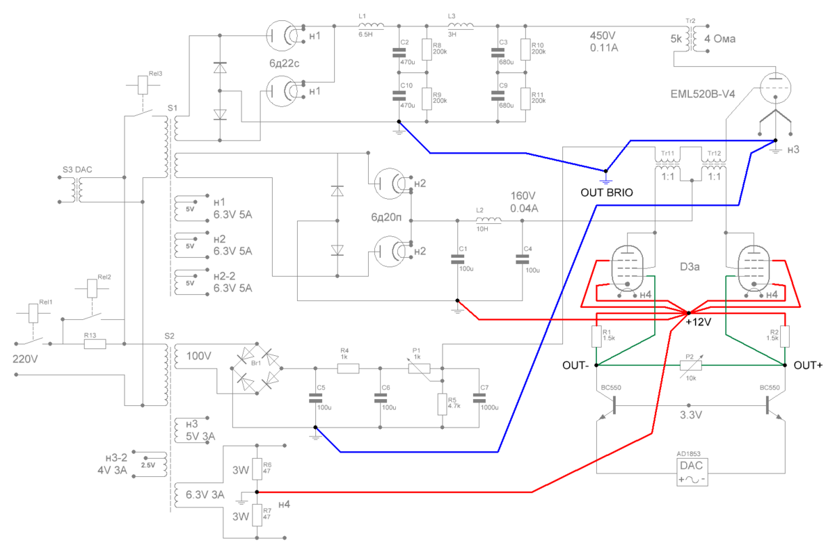
Усилитель D3A*2 + EML520B со встроенным ЦАП
Тема на Soundex
Можно в двух словах про 520B? В инете ничего про них не нашёл
Emission Labs 520B-V2 is $599/each… Так, кажется?
520В очень хорошие лампы. Если бы для себя делал чисто ламповый усилитель, то на выходе использовал только их.
В двух словах – очень хорошие, желательно использовать версию на 6,5В накала. В целом – очень свободное/открытое звучание + хорошая тембральная разборчивость (на НЧ даже предпочтительней, чем WE 300B 50-х гг).
С уважением. Алексей Бурцев
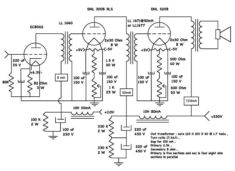
I have EML 520B V3 (Incredible Sound and Power and a huge tube 8.5 inches from base to top ), EML 300B-XLS (Very Similar to the 520B V3 In sound), EML 300B Mesh (My least Favourite, OK sound but has a harshness to it, even broken in), KR 300B (Really nice sound). My only caution is that the exotic 300B's are good in WOO Amps with auto biasing. Other manufacturers may not recommend them.
А кто-нибудь пробовал применить лампу EML-520B? аналог 300В.
http://blokipitaniyakr.narod.ru/index.html сайт правда давно не обновлялся…, но всё что там есть на 520 (и не только) я слушал, и при возможности повторил-бы и закрыл тему с усилителем ))